
PE-031-040204
SELECCION PIB
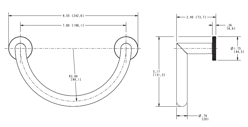
Toallero de aro con chapeton redondo con textura decorativa.
24.2 cm largo de poste a poste
Acabados Disponibles
Clave: PE-031-040204
Precios y disponibilidades sujetos a cambio

